
Please go to here to see the other lessons.
IronCAD vs Solidworks Assembly Lesson 23
What is the advantage designing with shapes?
Using shapes eliminates the need to create a sketch and extrude or revolve. If you created each feature individually it is easier to modify directly. Imagine a complex part. Give this concept a try today.
Design of Water Control Valve in Solidworks
IronCAD vs Solidworks
While creating 3D models from drawing is the very best way to learn 3D CAD and maybe some design techniques is does not expose the designer to the design flexibility necessary in product design. IronCAD is all top down due to the single model environment. Creating mating parts is a cruise. But modeling is just one aspect of this well designed productive 3D CAD system.
I like to show step by step lessons So you can see the commands being used.
I always create the part before I watch the Video, so as to not taint my process. Of course, there are a multitude of ways to create a model. There is no right way, just more productive ways. From what I have seen from these very complicated processes done by the Solidworks Presenters, it is not just limited by the 3D CAD system.
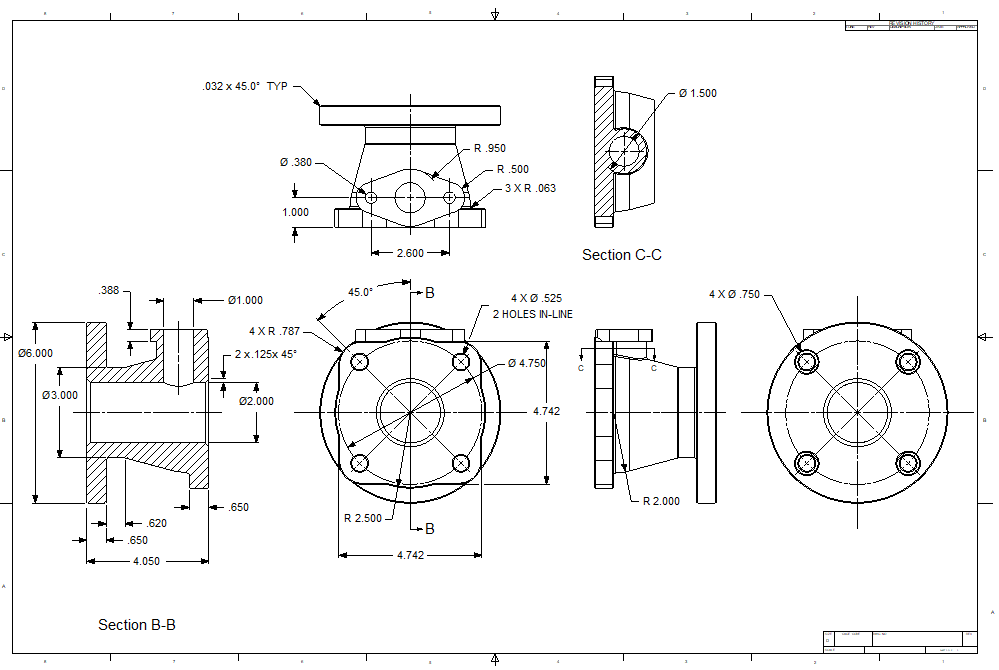
Here is the drawing if you would like to follow along.
For more information or to download IronCAD

In Lesson 1 we copied the same shape to the Outlet Housing 2. This eliminated any top down or in-context modeling. We will change the color to distinguish the two models. I have change the color to dark gray. I have selected the affected part and you can see it is blue, Ironcad has different color for each level of design. Yellow for the assembly, blue for the part, yellow for the feature and green for a face.

Using the Triball we move the shape to the correct position.

Now we can start modifying the model. We now will suppress the Outlet Housing 1 since will will not need it to complete the new model.
We use catalogs for our drag and drop designs. It can be set to auto-hide to give more area to design. I will have the auto-hide on for this exercise.

We drag and drop a cylinder to the mid-point of our large shape and size it and locate it with the Triball.
Note: Why does IronCAD call it a scene instead of a workspace? IronCAD was first released as a graphic design program called Trispectives. It still has much of the graphic design functionality. It truly is a wonderful mixture of professional 3D CAD and graphic design, which puts it in a much more flexible category as compared to the Pro/e (Creo) clones.

We drag and drop another to the center of the existing cylinder and size it.

Now I will drag and drop a cylinder to the center of the new cylinder and size it the same and set an arbitrary length. IntelliShapes are based on sketches and we can do direct modifications we can set the tape of the sizes with “Surface Reshaping Properties” we will set the side to 15 degrees.

We drag and drop a cylinder on mid-point of our first shape and size it to 3.875 and leave it to an arbitrary depth.

We will pull the two shapes to intersect.

The pull both shape to that intersection point.

Now we can put in the 2″ fillet.

We drag and drop a cylinder to a relative flat surface size it and locate it with the Triball.

Now have to edit that cylinder. All IntelliShapes are based on sketches. We will select the circle it is based to show what the sketch consists.

We just edit the sketch and select okay. We set the height and drag and drop the cylinder underneath to the center and size it.

We drag and drop the vertical and horizontal cut cylinders to their relative centers and size them.

Now for bolt holes. We drag and drop one and align with the existing hole and size it. With the Triball we then copy link the hole.

We now add the chamfers and blends

We are done with the part! One sketch!

Please go to here to see the other lessons.
IronCAD vs Solidworks Assembly Lesson 23
It is very important that you look into how you or your engineers are creating the parts. Streamline Sketching and Feature Based Modeling is easy to learn and implement. It, alone, will increase productivity 10X. Now, IronCAD with its unique integrated history/direct edit functionality can increase your productivity another 5X or more with changes! Again, time is money in engineering.
More on Streamline Sketching and Feature Based Modeling.
3D Modeling Techniques Defined
To experience this increased level of productivity, please download IronCAD for a 30 day evaluation. Legacy data is no problem, IronCAD can read the native files of all of the popular programs. IronCAD is a great replacement for the subscription only Autodesk and PTC products.
For more information or to download IronCAD
Give me a call if you have any questions. I can set up a skype or gotomeeting to show this part or answer any of your questions on the operation of IronCAD. It truly is the very best conceptual 3D CAD system.
TECH-NET Engineering Services!
We sell and support IronCAD and ZW3D Products and
provide engineering services throughout the USA and Canada!
Why TECH-NET Sells IronCAD and ZW3D
If you are interested in adding professional hybrid modeling capabilities or looking for a new solution to increase your productivity, take some time to download a fully functional 30 day evaluation and play with these packages. Feel free to give me a call if you have any questions or would like an on-line presentation.
For more information or to download IronCAD or ZW3D
Joe Brouwer
206-842-0360
