
Please go to here to see the other lessons.
IronCAD vs Solidworks Assembly Lesson 23
What is the advantage designing with shapes?
Using shapes eliminates the need to create a sketch and extrude or revolve. If you created each feature individually it is easier to modify directly. Imagine a complex part. Give this concept a try today.
Design of Water Control Valve in Solidworks
IronCAD vs Solidworks
While creating 3D models from drawing is the very best way to learn 3D CAD and maybe some design techniques is does not expose the designer to the design flexibility necessary in product design. IronCAD is all top down due to the single model environment. Creating mating parts is a cruise. But modeling is just one aspect of this well designed productive 3D CAD system.
I like to show step by step lessons So you can see the commands being used.
I always create the part before I watch the Video, so as to not taint my process. Of course, there are a multitude of ways to create a model. There is no right way, just more productive ways. From what I have seen from these very complicated processes done by the Solidworks Presenters, it is not just limited by the 3D CAD system.
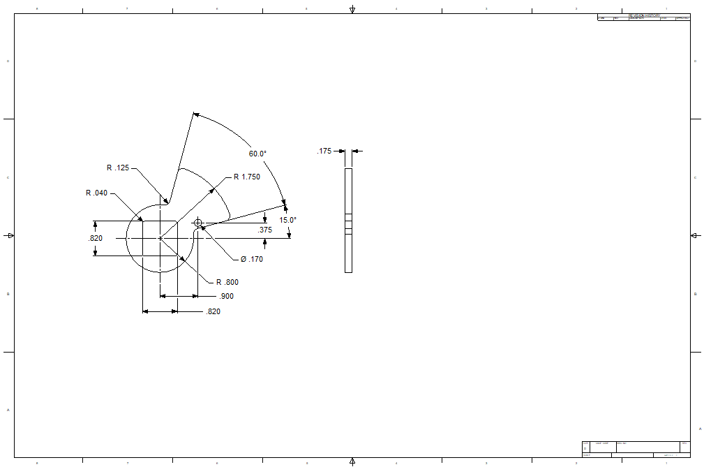
Here is the drawing if you would like to follow along.
For more information or to download IronCAD

We bring up the file and we can see our assembly.

We will only show the mating parts to be used in top down design. We will drag and drop a sketch plane using the “Extrude Wizard” this is an invaluable tool. It incorporates the sketch and extrude.
We will set it to create a stand alone part and set the depth.

We will now create the sketch. We will project one of the circular edges to establish a center point and use the “Center Rectangle” to make the square it will prompt us for the size. I put the size in.

I am ready to create the rest of the sketch. I edit the existing circle to start. I use what I call StreamLined Sketch that uses no constraints. Here are basic construction of the new part sketch.

We trim or extend the entities. You can tell the sketch has no extraneous entities by no red dots.

We select okay and we have our extruded part.

Our new part is now created in the scene browser and we can rename it. We can see it is the incorrect orientation so we will select the part and activate the Triball move it to the center and rotate 90 degrees.

We add the blends and we are done with the part. We rename the part in the scene browser.

We are done with the part.
Please go to here to see the other lessons.
IronCAD vs Solidworks Assembly Lesson 23
It is very important that you look into how you or your engineers are creating the parts. Streamline Sketching and Feature Based Modeling is easy to learn and implement. It, alone, will increase productivity 10X. Now, IronCAD with its unique integrated history/direct edit functionality can increase your productivity another 5X or more with changes! Again, time is money in engineering.
More on Streamline Sketching and Feature Based Modeling.
3D Modeling Techniques Defined
To experience this increased level of productivity, please download IronCAD for a 30 day evaluation. Legacy data is no problem, IronCAD can read the native files of all of the popular programs. IronCAD is a great replacement for the subscription only Autodesk and PTC products.
For more information or to download IronCAD
Give me a call if you have any questions. I can set up a skype or gotomeeting to show this part or answer any of your questions on the operation of IronCAD. It truly is the very best conceptual 3D CAD system.
TECH-NET Engineering Services!
We sell and support IronCAD and ZW3D Products and
provide engineering services throughout the USA and Canada!
Why TECH-NET Sells IronCAD and ZW3D
If you are interested in adding professional hybrid modeling capabilities or looking for a new solution to increase your productivity, take some time to download a fully functional 30 day evaluation and play with these packages. Feel free to give me a call if you have any questions or would like an on-line presentation.
For more information or to download IronCAD or ZW3D
Joe Brouwer
206-842-0360
