
Please go to here to see the other lessons.
IronCAD vs Solidworks Assembly Lesson 26
What is the advantage designing with shapes?
Using shapes eliminates the need to create a sketch and extrude or revolve. If you created each feature individually it is easier to modify directly. Imagine a complex part. Give this concept a try today.
Design of Feed check Valve in Solidworks | Solidworks Exploded View
IronCAD vs Solidworks
While creating 3D models from drawing is the very best way to learn 3D CAD and maybe some design techniques is does not expose the designer to the design flexibility necessary in product design. IronCAD is all top down due to the single model environment. Creating mating parts is a cruise. But modeling is just one aspect of this well designed productive 3D CAD system.
I like to show step by step lessons So you can see the commands being used.
I always create the part before I watch the Video, so as to not taint my process. Of course, there are a multitude of ways to create a model. There is no right way, just more productive ways. From what I have seen from these very complicated processes done by the Solidworks Presenters, it is not just limited by the 3D CAD system.
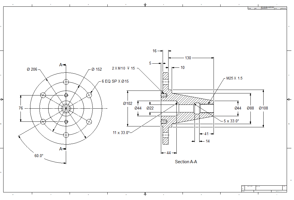
Here is the drawing if you would like to follow along.
For more information or to download IronCAD

Creating Internal Shapes with Boolean Operations
We are going to do something quite different. We are going to design a positive shape and Boolean subtract it to create an internal feature.
Many times there are internal features that would be much easier if they were positive shapes. Here is an example of that type of design.
Reverse Engineering 2015 AK-47 Project
Sometimes it is easier to create a positive part and Boolean subtract it than struggling to design it inside the existing part. Here is the cavity in the back of the stock before subtracting it.
Here is the completed part. You can see that the shape is subtracted.
We start with the Valve. We are doing top down or in context design. Which means we will using existing graphics to create our new part. We mostly use mating faces or edges.
We will create a Cover configuration. This is how you manage parts in a single model environment.

Note: Why does IronCAD call it a scene instead of a workspace? IronCAD was first released as a graphic design program called Trispectives. It still has much of the graphic design functionality. It truly is a wonderful mixture of professional 3D CAD and graphic design, which puts it in a much more flexible category as compared to the Pro/e (Creo) clones.
Also I have pinned the Catalog, you can autohide the catalog for more design space in the scene.
We open with the Valve to use as a reference to create the valve.
We pin the catalog open to show where we are dragging and dropping the shapes from. We usually set it to autohide to have more design real estate.
We drag and drop a cylinder on to center of the top circular edge of the Body using the right mouse button that allows us to create a new shape, creating a new part, the left button automatically makes it part of the existing shape. We can now name the new part.
Using the Triball we locate the cylinder and size it.

You can see it drops with extrusion going up. To change the direction you right click the feature and you select “Flip Extrude Direction”.

We suppress the Body since we will are done using it for a reference and add the bottom cylinder and size it.

We now create a chamfer.

We now need the lower cylinder to create the lower clearance space. We can locate the handles from edges, centers, corners and midpoints. We locate the bottom edge 41 mm from the bottom of the small cylinder and size it.

We create the two chamfers.

We are done with our positive shape.

Now will use the existing shape to start our second positive part. We will change the color for clarity. In actual practice we wouldn’t waste our time, you will see why.
We will drag and drop using the right mouse to the center of the upper cylinder size it and flip it.

We now hide the core since will not need to reference for the rest of the model.
We drag and drop a cylinder to the bottom of the existing cylinder and size it.

We add the next cylinder.

Now we will create two sketches. We will create the first the face of the bottom cylinder.
We create a circle, the right button brings up a dialog box and you put in the radius. No need to come back later and define it.

Instead of creating another sketch, using the Triball we copy the sketch and edit the radius.

Using the Loft command we create the new shape.

Now we are done with this shape.

We unhide the other shape and name both parts “New Cover”

We now select the large shape then the smaller shape in the scene browser. You can select any feature in the scene or scene browser. I have a tool bar for this. With plastic product design it is a important capability.

I will drag and drop a cut extrude to show the subtraction.

You can see all of the features are still available for editing.

We can now create the other features. We can now add the holes. I drag and drop a cut cylinder on the relative quadrant point, size it and use the Triball to place the hole at a distance from the center of the shape.

We move the Triball only to the center of the shape. We depress the space the spacebar to allow locating the Tribal. We then use the Triball to create the other holes. We have the option to copy link by just copying them or use the pattern function. I will just copy link. Linking makes all the features associated, changing one change all.

Select okay and we have our holes. The linked features show as purple.

Now for the two thread holes. Using the custom hole opiton in the tools catalog we create the first hole we locate again on the relative quadrant point for easy locating.

We use the Triball to locate and link copy.

Now for the bottom thread. We again use the Custom Hole option in the Tools Catalog.

We now add the blends.

We are done with the part.

Please go to here to see the other lessons.
IronCAD vs Solidworks Assembly Lesson 26
It is very important that you look into how you or your engineers are creating the parts. Streamline Sketching and Feature Based Modeling is easy to learn and implement. It, alone, will increase productivity 10X. Now, IronCAD with its unique integrated history/direct edit functionality can increase your productivity another 5X or more with changes! Again, time is money in engineering.
More on Streamline Sketching and Feature Based Modeling.
3D Modeling Techniques Defined
To experience this increased level of productivity, please download IronCAD for a 30 day evaluation. Legacy data is no problem, IronCAD can read the native files of all of the popular programs. IronCAD is a great replacement for the subscription only Autodesk and PTC products.
For more information or to download IronCAD
Give me a call if you have any questions. I can set up a skype or gotomeeting to show this part or answer any of your questions on the operation of IronCAD. It truly is the very best conceptual 3D CAD system.
TECH-NET Engineering Services!
We sell and support IronCAD and ZW3D Products and
provide engineering services throughout the USA and Canada!
Why TECH-NET Sells IronCAD and ZW3D
If you are interested in adding professional hybrid modeling capabilities or looking for a new solution to increase your productivity, take some time to download a fully functional 30 day evaluation and play with these packages. Feel free to give me a call if you have any questions or would like an on-line presentation.
For more information or to download IronCAD or ZW3D
Joe Brouwer
206-842-0360
