
What is the advantage designing with shapes?
Using shapes eliminates the need to create a sketch and extrude. Sketches in IronCAD are an integrated part of the shape. You can have standalone sketches for use creating other features.
The modeling technique is hugely responsible for the level of productivity. Those of you that are only trained in the sketch, sketch, constrain, constrain world are truly limited by not using the freedom of Streamlined Sketching and Feature Based Design, that is available in even the most Pro/e-ish of CAD systems. If your designers are designing in these very unproductive and time consuming processes it might be time to review your standard design processes. Don’t have any do you?
When I introduce IronCAD’s very flexible design paradigm I have a hard time to get the Pro/e clone users, like Solidworks and other programs to understand the drag and drop design paradigm.
Download IronCAD/Inovate and take the one day and 17 lesson course. I get rave reviews from my new customers. Give it a try, this is a fully functional 30 day evaluation with all of the native translators so you have access to your legacy engineering information.
The below link will give 6 short introduction to unique IronCAD operations.
I saw the following video challenge on linkedin and thought I would give it a try. I actually did it before I watched the video, so I did it a bit differently. This will give you an idea how different and flexible IronCAD is compared to the conventional Solidworks
SolidWorks tutorial for beginners exercise 131
IronCAD vs Solidworks
While creating 3D models from drawing is the very best way to learn 3D CAD and maybe some design techniques is does not expose the designer to the design flexibility necessary in product design. IronCAD is all top down due to the single model environment. Creating mating parts is a cruise. But modeling is just one aspect of a well designed productive 3D CAD system.
I would do a video, but I really am not good at it. So I will show you step by step. I will try and get IronCAD support to create one. They are very good.
I always create the part before I watch the Solidworks Video, so as to not taint my process. Of course, there are a multitude of ways to create a model. There is no right way, just more productive ways. From what I have seen from these very complicated processes done by the Solidworks Presenters, it is not just limited by the 3D CAD system.
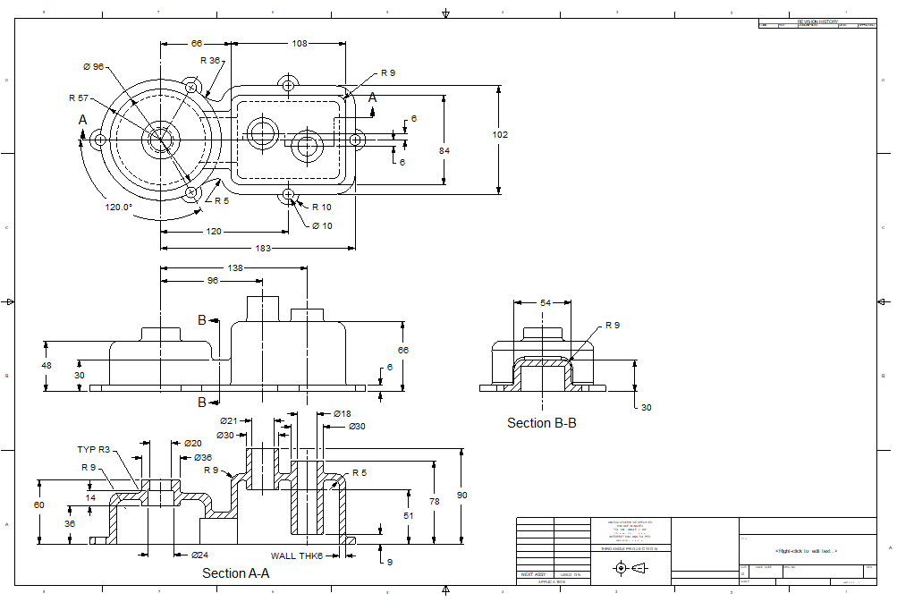
Here is the drawing if you would like to follow along.
For more information or to download IronCAD

We set our units to millimeters.
We instantly notice that this part is made up of three distinct shapes.
We will start by dragging and dropping the large cylinder into the scene and size it. As soon as you drag and drop a shape on to the scene it instantly creates a new part. We are looking at the intellishape, which make up the parts.
Note: Why does IronCAD call it a scene instead of a workspace? IronCAD was first released as a graphic design program called Trispectives. It still has much of the graphic design functionality. It truly is a wonderful mixture of professional 3D CAD and graphic design, which puts it in a much more flexible category as compared to the Pro/e (Creo) clones.
Also I have pinned the Catalog, you can autohide the catalog for more design space in the scene.

I will drag and drop an Extrude shape on to the top of the cylinder and push or pull the handles to locate and size the next feature. The length is no important at this time.

Now for the large rectangle. We drag and drop it on the existing rectangle. If we drag with the left mouse button it will be part of the feature, if we drag with the right button it will give us the option to make it a new part or part of an assembly.
We using the handles to locate and size it.

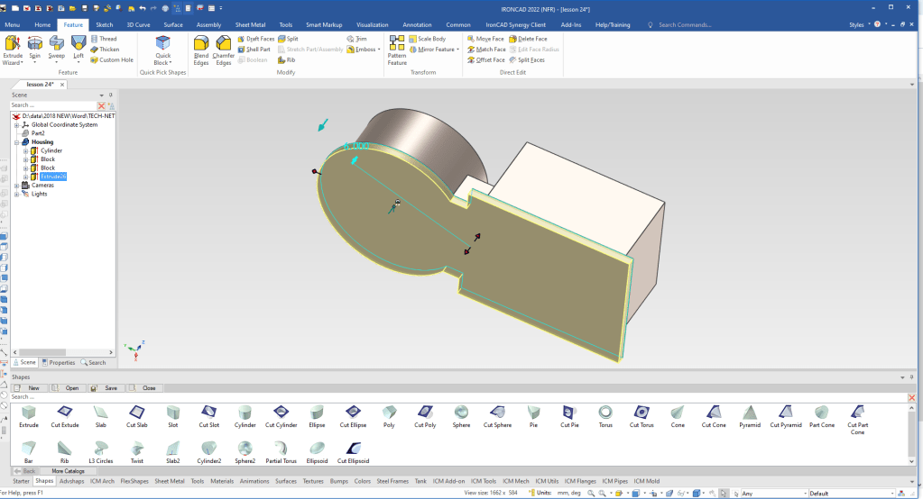
We will add the flange now. This is a bit of design intent you will see soon.
We will use the Extrude Wizard for this step you can set the depth of your extrusion.

We are now in the sketch mode. We project the edged and now using the offset command we create an offset of 9mm. You can see that the selected original edges are still selected so we can delete them if they are not going to be used.

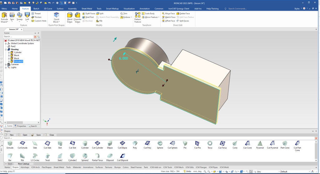
We select okay and we see the extrusion when in the wrong direction. This is due to the normal Z direction of the sketch plane that is part of the Extrude Wizard command.

You solve this by selecting the new extrusion in the scene or scene browser with the right button an select reverse extrusion. You can see that the small arrows were reversed.

Now we can shell the part. This was a bit of design intent since there are multiple different blends on the inside of the model.

We will now add the mounting tabs. Drag and drop a cylinder the 90 degree point on outer edge of the flange and size it. Then using the copy function we create three other tabs. IronCAD recognizes center, mid and corner points.

Now for the radial pattern we will select the tab on the radial edge and turn on the Triball. We deactivate the Triball by pressing the space bar. This will allow us to only move the Triball we will move it to the center of the cylinder and set it to 2 linked copies 120 degrees apart.
The linked copies are shown in purple and indicate that if one is changed they all get changed.

We select okay and we can add some blends that will help with the modeling.

We drag and drop a cylinder to the center of the large cylinder size it and using the Triball copy and size the other two.

We drag and drops cut cylinders to the center of the cylinders and size.

We now drag and drop a cut cylinder to the center of the mounting tabs and size it. Now using the Tribal set to copy link we create the rest of the holes.

Now we add the blends.

We are done.

We are now done with the part. Only one sketch, nothing but projecting some edges and creating an offset.
It is very important that you look into how you or your engineers are creating the parts. Streamline Sketching and Feature Based Modeling is easy to learn and implement. It, alone, will increase productivity 10X. Now, IronCAD with its unique integrated history/direct edit functionality can increase your productivity another 5X or more with changes! Again, time is money in engineering.
More on Streamline Sketching and Feature Based Modeling.
3D Modeling Techniques Defined
To experience this increased level of productivity, please download IronCAD for a 30 day evaluation. Legacy data is no problem, IronCAD can read the native files of all of the popular programs. IronCAD is a great replacement for the subscription only Autodesk and PTC products.
For more information or to download IronCAD
Give me a call if you have any questions. I can set up a skype or gotomeeting to show this part or answer any of your questions on the operation of IronCAD. It truly is the very best conceptual 3D CAD system.
TECH-NET Engineering Services!
We sell and support IronCAD and ZW3D Products and
provide engineering services throughout the USA and Canada!
Why TECH-NET Sells IronCAD and ZW3D
If you are interested in adding professional hybrid modeling capabilities or looking for a new solution to increase your productivity, take some time to download a fully functional 30 day evaluation and play with these packages. Feel free to give me a call if you have any questions or would like an on-line presentation.
For more information or to download IronCAD or ZW3D
Joe Brouwer
206-842-0360
