
What is the advantage designing with shapes?
Using shapes eliminates the need to create a sketch and extrude. Sketches in IronCAD are an integrated part of the shape. You can have standalone sketches for use creating other features.
The modeling technique is hugely responsible for the level of productivity. Those of you that are only trained in the sketch, sketch, constrain, constrain world are truly limited by not using the freedom of Streamlined Sketching and Feature Based Design, that is available in even the most Pro/e-ish of CAD systems. If your designers are designing in these very unproductive and time consuming processes it might be time to review your standard design processes. Don’t have any do you?
When I introduce IronCAD’s very flexible design paradigm I have a hard time to get the Pro/e clone users, like Solidworks and other programs to understand the drag and drop design paradigm.
Download IronCAD/Inovate and take the one day and 17 lesson course. I get rave reviews from my new customers. Give it a try, this is a fully functional 30 day evaluation with all of the native translators so you have access to your legacy engineering information.
The below link will give 6 short introduction to unique IronCAD operations.
I saw the following video challenge on linkedin and thought I would give it a try. I actually did it before I watched the video, so I did it a bit differently. This will give you an idea how different and flexible IronCAD is compared to the conventional Solidworks
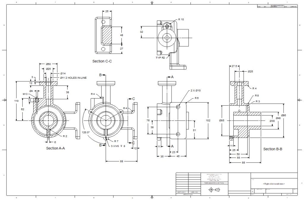
SolidWorks tutorial for beginners exercise 159
IronCAD vs Solidworks
While creating 3D models from drawing is the very best way to learn 3D CAD and maybe some design techniques is does not expose the designer to the design flexibility necessary in product design. IronCAD is all top down due to the single model environment. Creating mating parts is a cruise. But modeling is just one aspect of a well designed productive 3D CAD system.
I would do a video, but I really am not good at it. So I will show you step by step. I will try and get IronCAD support to create one. They are very good.
I always create the part before I watch the Solidworks Video, so as to not taint my process. Of course, there are a multitude of ways to create a model. There is no right way, just more productive ways. From what I have seen from these very complicated processes done by the Solidworks Presenters, it is not just limited by the 3D CAD system.
Here is the drawing if you would like to follow along.
For more information or to download IronCAD

We set our units to millimeters.
We instantly notice that this part is made up of three distinct shapes.
We will start by dragging and dropping the large cylinder into the scene and size it. We orient it with the Triball and size it.
As soon as you drag and drop a shape on to the scene it instantly creates a new part. We are looking at the intellishape, which make up the part. We will rename the part.
Note: Why does IronCAD call it a scene instead of a workspace? IronCAD was first released as a graphic design program called Trispectives. It still has much of the graphic design functionality. It truly is a wonderful mixture of professional 3D CAD and graphic design, which puts it in a much more flexible category as compared to the Pro/e (Creo) clones.
Also I have pinned the Catalog, you can autohide the catalog for more design space in the scene.

I will drag and drop a cylinder to the center of the existing cylinder, rotate with the Triball, size it and again use the Triball to locate it.

We drag and drop a cylinder to the center on the top of the vertical cylinder and size it and locate it with the Triball.

The Intellishape is based on sketches. We will select the new cylinder and select “Edit Cross-Section” and we edit the sketch.

We exit and the shape is updated.

We drag and drop a cylinder to the top and center of the cylinder. We size it.

We drag and drop an extrude shape on top of the upper cylinder. You can drag and drop the extrude shape on to any face and push/pull to locate and size.

We drag and drop an extrude shape on to the face of the new block. We again push/pull the shape to locate and size.

Drag and drop a cut cylinder to the center of the main cylinder and size it.

We drag and drop a cylinder to the center of the cavity and size it.

We drag and drop a cut cylinder to the center of the new cylinder and size it.

Now for the lower rib. We drag and drop a extrude block to the inner face and push/pull it to locate and size.

Now for the tabs. We drag and drop a cylinder to the lower quadrant point and size it.
Using the Triball we move it to the center of the large cylinder and rotate copy link the other two.

We see we should if done a bit of design intent review. But IronCAD is very forgiving. We just drag the new cylinders in the scene browser above above the center cut.

We now have to add some holes. We drag and drop cut cylinders to the relative centers and size.

We have four thread holes. IronCAD has a wonderful hole wizard to define threaded and other type holes.
We will put the M10 threaded hole in first. We select metric, the holes size, select thread and set the depth.

Now for the tab holes. We do the same thing.

I see the the tab radius is incorrect. So I select on of the tab cylinders and set it to the correct radius and you can see the other cylinders also update.

Now using the Triball we rotate copy like the threaded hole.

We have two more holes.
We drag and drop a cut cylinder to the center of the block and using the Tribal locate it and copy link it. Notice that the linked feature are shown in purple.

Now for the blends and we are done.

We are now done with the part. Only one sketch, nothing but editing an Intellishape.
It is very important that you look into how you or your engineers are creating the parts. Streamline Sketching and Feature Based Modeling is easy to learn and implement. It, alone, will increase productivity 10X. Now, IronCAD with its unique integrated history/direct edit functionality can increase your productivity another 5X or more with changes! Again, time is money in engineering.
More on Streamline Sketching and Feature Based Modeling.
3D Modeling Techniques Defined
To experience this increased level of productivity, please download IronCAD for a 30 day evaluation. Legacy data is no problem, IronCAD can read the native files of all of the popular programs. IronCAD is a great replacement for the subscription only Autodesk and PTC products.
For more information or to download IronCAD
Give me a call if you have any questions. I can set up a skype or gotomeeting to show this part or answer any of your questions on the operation of IronCAD. It truly is the very best conceptual 3D CAD system.
TECH-NET Engineering Services!
We sell and support IronCAD and ZW3D Products and
provide engineering services throughout the USA and Canada!
Why TECH-NET Sells IronCAD and ZW3D
If you are interested in adding professional hybrid modeling capabilities or looking for a new solution to increase your productivity, take some time to download a fully functional 30 day evaluation and play with these packages. Feel free to give me a call if you have any questions or would like an on-line presentation.
For more information or to download IronCAD or ZW3D
Joe Brouwer
206-842-0360
