
Please go to here to see the other lessons.
ZW3D vs Solidworks Assembly Lesson 19
What is the advantage designing with shapes?
Using shapes eliminates the need to create a sketch and extrude. The above part has 14 shapes and 2 sketches. This is a simple part and we have eliminated 14 constrained sketches and 14 extrusions. Imagine a complex part. Give this concept a try today.
Design of Water Control Valve in Solidworks
ZW3D vs Solidworks
While creating 3D models from drawing is the very best way to learn 3D CAD and maybe some design techniques is does not expose the designer to the design flexibility necessary in product design. IronCAD is all top down due to the single model environment. Creating mating parts is a cruise. But modeling is just one aspect of this well designed productive 3D CAD system.
I like to show step by step lessons So you can see the commands being used.
I always create the part before I watch the Video, so as to not taint my process. Of course, there are a multitude of ways to create a model. There is no right way, just more productive ways. From what I have seen from these very complicated processes done by the Solidworks Presenters, it is not just limited by the 3D CAD system.
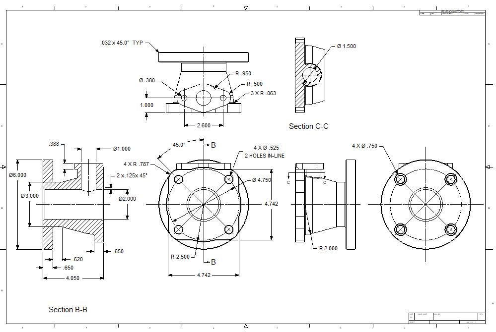
Here is the drawing if you would like to follow along.
Download ZW3D and follow along

Please review Lesson 1, we show how to set up ZW3D the Multi-Object environment for an assembly. We have already created our new flange by copying and pasting from lesson 1.
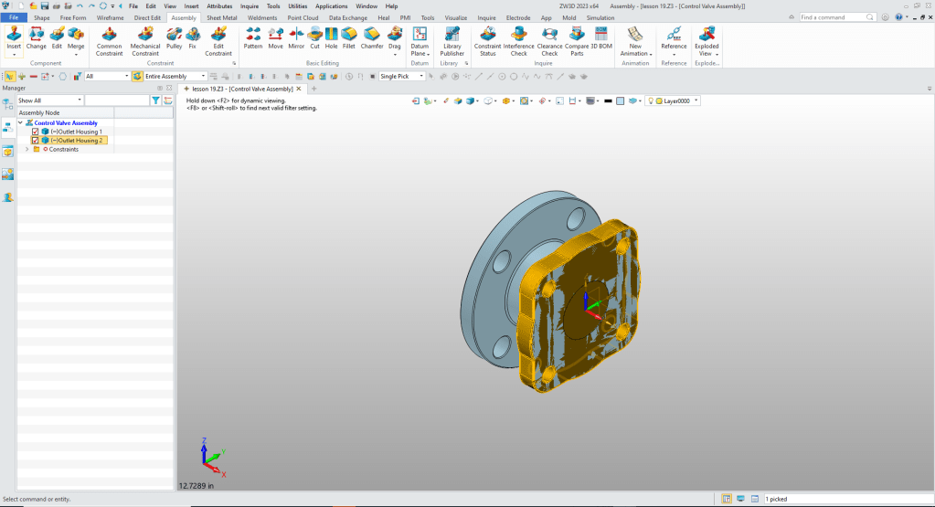
We select the assembly mode. We see both parts. I highlighted the new flange.

We move the flange mating location with the Outlet Housing 1 with the move command.

We will activate the new part. This is how we would work with the new part if we were doing Top Down or In-Context design. We delete the chamfers. We will put them in later.

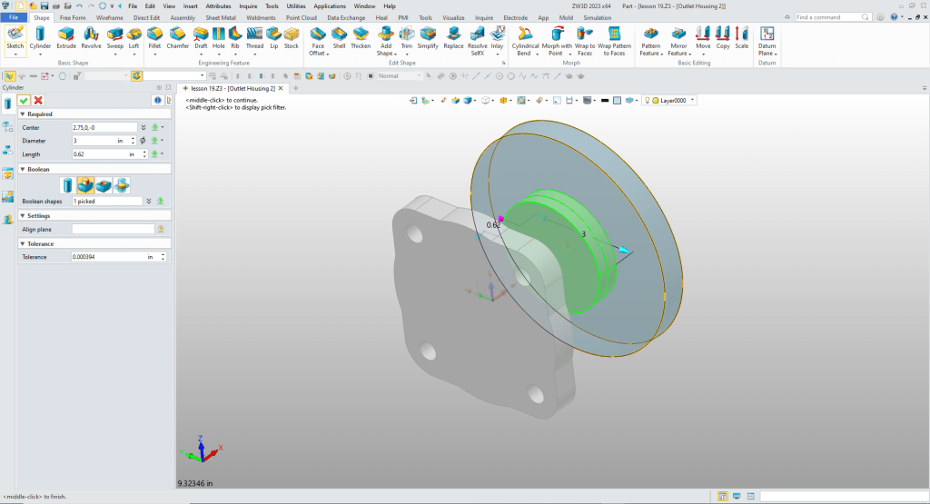
But since we copied the flange will will not need to reference, we will open the Outlet housing 2. We insert a cylinder, locate and size it and set to add. We now open the part

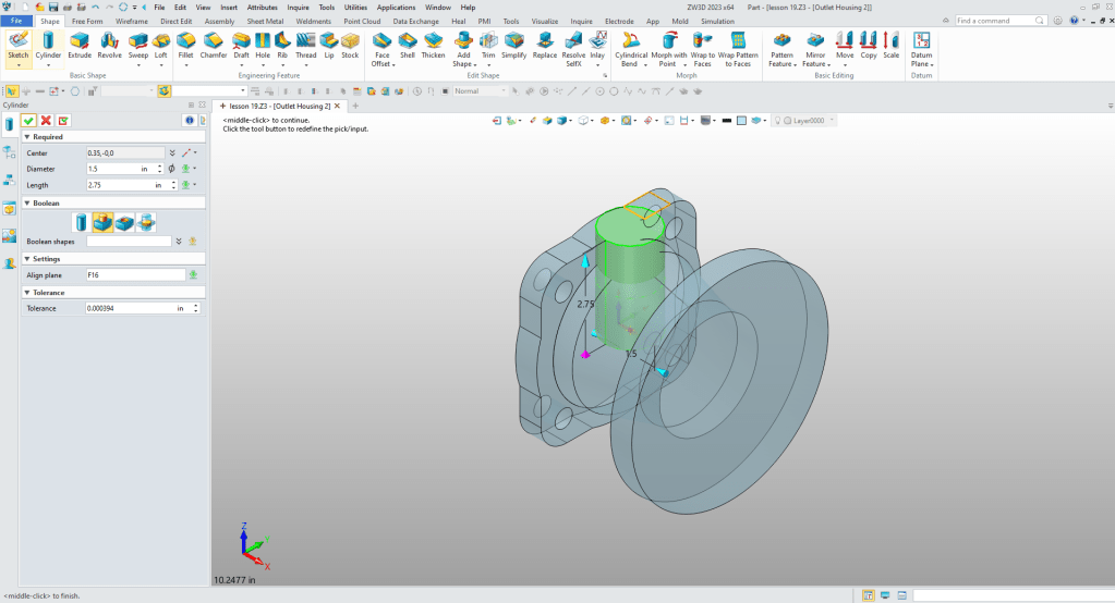
We will now insert a cylinder at the center of the large cylinder, size it and set it to add.

I was hoping I could make these features without a sketch, but is seems to be a bit tough to create the features and move them to the intersection and get the fillet to work. I even trimmed the two features with direct edit and the fillet wouldn’t go in.
ZW3D is a sketched based system and its primitive shapes are not as sophisticated as my other program, IronCAD, which does it with ease, but IronCAD it is designed to use what they call IntelliShapes, by dragging and dropping from catalogs.
You can see how it was done here without a sketch.
IronCAD vs Solidworks Assembly Lesson 23 Lesson 2

So we have to create a sketch. Notice I use no constraints. The pink lines are projected.

We now select Revolve and select the sketch and set to add. Before this there were two solids, adding this feature creates one solid.

We add the fillets and insert a cylinder for base of the flange, we locate and size and set to add.

We will create a sketch for the flange. I use StreamLined Sketching. No constraints.

I exit and extrude the sketch and set to add.

We now create the fillets.

We insert two cylinder to their respective centers, size and set to remove.

We insert a cylinder locate, size and set to remove

We pattern the hole.

We add the chamfers.

We are done with the part.

Please go to here to see the other lessons.
ZW3D vs Solidworks Assembly Lesson 19
It is very important that you look into how you or your engineers are creating the parts. Streamline Sketching and Feature Based Modeling is easy to learn and implement. It, alone, will increase productivity 10X. Now, IronCAD with its unique integrated history/direct edit functionality can increase your productivity another 5X or more with changes! Again, time is money in engineering.
More on Streamline Sketching and Feature Based Modeling.
3D Modeling Techniques Defined
To experience this increased level of productivity, please download ZW3D for a 30 day evaluation. Legacy data is no problem, ZW3D can read the native files of all of the popular programs. ZW3D is a great replacement for the subscription only Autodesk and PTC products.
For more information or to download ZW3D
Give me a call if you have any questions. I can set up a skype or gotomeeting to show this part or answer any of your questions on the operation of IronCAD. It truly is the very best conceptual 3D CAD system.
TECH-NET Engineering Services!
We sell and support IronCAD and ZW3D Products and
provide engineering services throughout the USA and Canada!
Why TECH-NET Sells IronCAD and ZW3D
If you are interested in adding professional hybrid modeling capabilities or looking for a new solution to increase your productivity, take some time to download a fully functional 30 day evaluation and play with these packages. Feel free to give me a call if you have any questions or would like an on-line presentation.
For more information or to download IronCAD or ZW3D
Joe Brouwer
206-842-0360
